Consentement d'utilisation des Cookies

J'accepte Notre site sauvegarde des traceurs textes (cookies) sur votre appareil afin de vous garantir de meilleurs contenus et à des fins de collectes statistiques.Vous pouvez désactiver l'usage des cookies en changeant les paramètres de votre navigateur. En poursuivant votre navigation sur notre site sans changer vos paramètres de navigateur vous nous accordez la permission de conserver des informations sur votre appareil.

Super Nintendo - Service Manual - Snes - Back Old Gaming
Retour

Téléchargez PDF Manuels de Services (Donwload PDF Service Manual) Super Nintendo,  également des documents sur le développement de software sur la console.


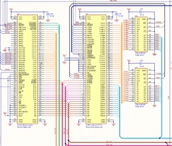
Super Nintendo - Electrical Schematic

Schéma électrique de la Super Nintendo version 2 PPU

Super Nintendo - Technic Manual

Manuel de technique pour la Super Nintendo

Super Nintendo - Development Manual Book 1

Livre 1 sur le développement de jeux pour la Super Nintendo.

Super Nintendo - Development Manual Book 2

Livre 2 sur le développement de jeux pour la Super Nintendo.

ezechiel

Rédacteur

Passionné sur l'entretien des anciennes consoles Japonnaises, Nintendo, Sega, SNk, Sony, Nec, je savoure toujours un bon jeu

Publie le 23 decembre 2018

Back Old Gaming

Nous avons detecté AdBlock

Cher lecteur, chère lectrice

Afin de nous aider et soutenir notre site totalement indépendant nous vous invitons à désactiver votre Adblock.

Merci de votre soutien.